Abbildung ähnlich
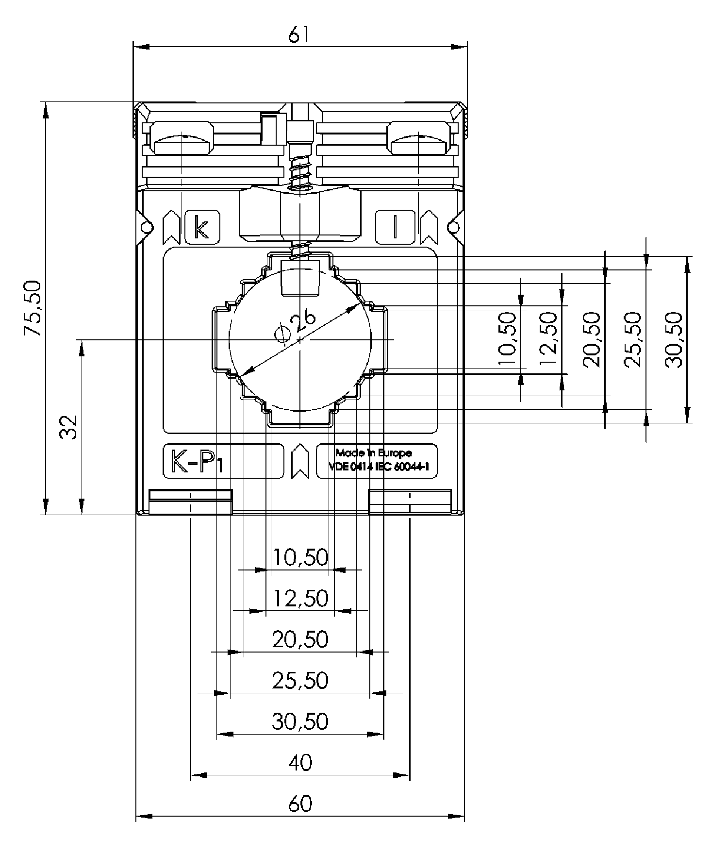
ASK 31.3 80/5A 1,5VA Kl.1 - Aufsteckstromwandler 31.3 1 5 ASK 80 1,5
Produktinformationen
Produktinformationen
3D Modelle und weitere Dateien zu jeweiligen Produkten finden Sie auch in unserem
Downloadbereich
Kontakt
Dahms GmbH
Max-Keith-Straße 66
45136 Essen
Telefon: 0201 - 890885-0
E-Mail: dahms@dahms-gmbh.de
| Eigenschaften |
|---|
| Typ: | ASK 31.3 |
|---|---|
| Primärstrom: | 80 |
| Sekundärstrom: | 5 |
| Genauigkeitsklasse: | 1 |
| Scheinleistung (VA): | 1,5 |