Abbildung ähnlich
Art-Nr.: ASK-101-4
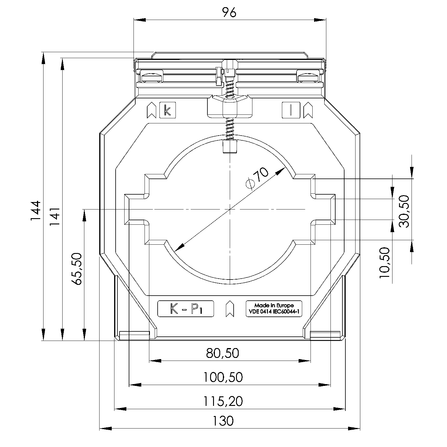
ASK 101.4 - Aufsteckstromwandler
Frage zum Produkt erstellen
Vielen Dank für Ihre Anfrage. Wir haben Ihre Anfrage erhalten und werden uns so schnell wie möglich mit Ihnen in Verbindung setzen.
Produktinformationen
3D Modelle und weitere Dateien zu jeweiligen Produkten finden Sie auch in unserem
Downloadbereich