Abbildung ähnlich
Art-Nr.: CCT-31-3-U-Parent
CCT 31.3 U - Allstromwandler AC/DC
| Messbereich | 0…300 A DC / AC Ieff, variantenanbhängig! (Nennstrombereiche eingestellt auf Normwerte gem. IEC) |
| Frequenzbereich | 0…100 kHz, beliebige Signalverläufe |
| Spannungsausgang bei AC-Eingangssignal: | 2,5 ± 1 V, Ueff, AC; 2,5 ± 1,414 V (Spitze-Spitze) |
| Spannungsausgang bei DC-Eingangssignal | 2,5 ± 1 V, DC |
| Min. Bürdenwiderstand am Spannungsausgang | RB ≥ 100 kΩ |
| Ausgangssignalbegrenzung bei Überlast | < 5 V |
| Genauigkeit | ± 0,5 % |
| Max. Betriebsspannung Um | 0,72 kV, Ueff |
| Isolationsprüfspannung | 6,4 kV, Ueff, 50 Hz, 5 sec., Primärleiter gegen Messausgang/Gehäuse |
| Hilfsspannung | ± 12 V DC, ± 15%, < 70 mA, externe Absicherung über Feinsicherung 100 mA / 250 V, flink! |
| Sprungantwortzeit (90 % IPN, di/dt = 100 A / μs) | ≤ 1 μs (typ. 150 ns) |
| Signalanstiegsgeschwindigkeit di/dt | < 100 A / μs |
| Isolierstoffklasse | E |
| Einsatzhöhe | ≤ 2000 m (DIN EN 61010-1) |
| Max. Temperatur des Primärleiters | 100° C |
| Feuchteigkeit | 0…95% rel. Feuchte, keine Betauung! |
Produktinformationen
Stromwandler zur Messung von sowohl Gleich-, als auch Wechselströmen
- Zur Verwendung bei der Netzanalyse
- und zur Strommessung nichtsinusförmiger und verzerrter Netze
Angewandte technische Normen:
DIN EN 50178, 1997
DIN EN 61010-1, 2002
VDE 0160
Elektrische Anschlüsse:
UH + UH - 0 (Ground) IA
Federzugklemme
Anschlussquerschnitte: 0,08…2,5 mm²
Funktionen des CCT 31.3 U:
- Das einen stromdurchflossenen Leiter umgebende Magnetfeld wird von einem, den Leiter umschließenden
Messkern, erfasst. Der im Messkern induzierte, zur Stromstärke im Primärleiter direkt proportionale
magnetische Fluss, wird mittels eines Halbleiterbauelementes erfasst. Eine im Gerät integrierte
Regelelektronik wandelt das vom Halbleiter gelieferte Signal in ein, zum zeitlichen Verlauf der Messgröße,
direkt proportionales Ausgangsspannungssignal um. - Durch die induktive, berührungslose Erfassung der Messgröße, wird ein galvanisch getrenntes
Ausgangssignal bereitgestellt. - Die elektrische Kontaktierung des Sekundärkreises des Stromwandlers erfolgt über eine 4-polige Federzugklemme. Diese Klemme ist für den Anschluss flexibler Litzeleitungen bis 2,5 mm² geeignet.
- Zur Versorgung der Regelelektronik wird eine DC-Hilfsspannungsversorgung von ± 12 V benötigt. Die Hilfsspannungseingänge sind über eine Feinsicherung 100 mA / 250 V / F abzusichern.
Vorteile und Nutzen des CCT 31.3 U:
- Messung von sowohl Gleich-, als auch Wechselströmen mit nur einem Messwandler möglich.
- Großer Arbeitsfrequenzbereich von 0 Hz (DC)…100 kHz (AC).
- Hohe elektrische Sicherheit durch galvanisch getrennte Erfassung der Messgröße.
- Geringer Leistungsbedarf (≤ 2,5 VA)
- Einfache und sichere elektrische Verdrahtung mittels Federzugklemmtechnik.
- Direkte Montage auf Stromschienen durch am Gerät integrierte Befestigungsschrauben.
- Montage auf 35mm-DIN-Hutschienen mittels optional lieferbarer Schnappbefestigung möglich.
- Hohe klimatische und mechanische Beständigkeit durch PU-Verguss aller elektrischen Komponenten.
3D Modelle und weitere Dateien zu jeweiligen Produkten finden Sie auch in unserem
Downloadbereich
| Eigenschaften |
|---|
| Typ: | CCT 31.3 U |
|---|---|
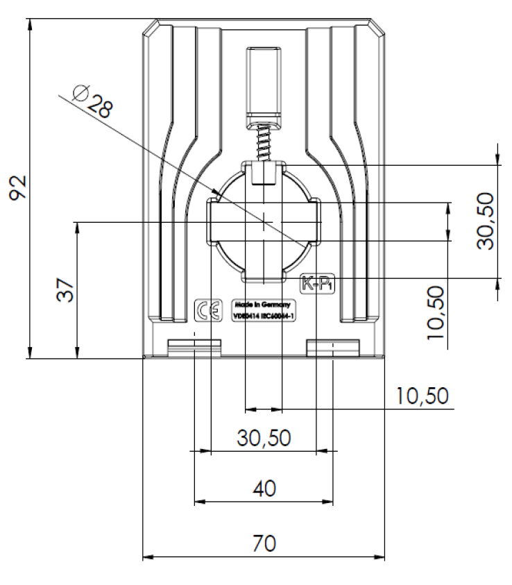
| Durchführung: | Ø 28 mm |
| Schutzart: | Gehäuse IP 20 |
| Genauigkeitsklasse: | 0,5% |
| Umgebungstemperatur: | -25 - +60 °C |
| Lagertemperatur: | -40 - +90 °C |
| Breite: | 70 mm |
| Höhe: | 92 mm |
| Länge: | 48 mm |
| Messbereich | 0…300 A DC / AC Ieff, variantenanbhängig! (Nennstrombereiche eingestellt auf Normwerte gem. IEC) |
| Frequenzbereich | 0…100 kHz, beliebige Signalverläufe |
| Spannungsausgang bei AC-Eingangssignal: | 2,5 ± 1 V, Ueff, AC; 2,5 ± 1,414 V (Spitze-Spitze) |
| Spannungsausgang bei DC-Eingangssignal | 2,5 ± 1 V, DC |
| Min. Bürdenwiderstand am Spannungsausgang | RB ≥ 100 kΩ |
| Ausgangssignalbegrenzung bei Überlast | < 5 V |
| Genauigkeit | ± 0,5 % |
| Max. Betriebsspannung Um | 0,72 kV, Ueff |
| Isolationsprüfspannung | 6,4 kV, Ueff, 50 Hz, 5 sec., Primärleiter gegen Messausgang/Gehäuse |
| Hilfsspannung | ± 12 V DC, ± 15%, < 70 mA, externe Absicherung über Feinsicherung 100 mA / 250 V, flink! |
| Sprungantwortzeit (90 % IPN, di/dt = 100 A / μs) | ≤ 1 μs (typ. 150 ns) |
| Signalanstiegsgeschwindigkeit di/dt | < 100 A / μs |
| Isolierstoffklasse | E |
| Einsatzhöhe | ≤ 2000 m (DIN EN 61010-1) |
| Max. Temperatur des Primärleiters | 100° C |
| Feuchteigkeit | 0…95% rel. Feuchte, keine Betauung! |